Ị nwere ajụjụ? Kpọọ anyị oku:+86 13538408353

Nnyocha zuru oke nke HDMI Interface: HDMI_A 、HDMI_C (Mini HDMI 、HDMI_D (Micro HDMI)

Nnyocha zuru oke nke HDMI Interface: HDMI_A 、HDMI_C (Mini HDMI 、HDMI_D (Micro HDMI)

1. Ụdị HDMI A

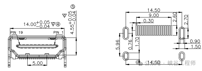
Njirimara Ọdịdị: HDMI_A bụ njikọ akụkụ anọ ojii kachasị ewu ewu. Nha ya dị ihe dịka 13.9mm × 4.45mm. O nwere ntụtụ iri na itoolu a haziri nke ọma, ntụtụ abụọ dị n'elu dịkwa mkpụmkpụ ntakịrị (ntụtụ ala).

Nhazi nke ụdị HDMI_A nke nwere pin 19 na-eme ka bandwidth achọrọ maka nnyefe mgbaàmà dị elu, ma n'otu oge ahụ na-ebelata ọnụ ahịa mmepụta maka ndị nrụpụta akụrụngwa site na njikọ ọkọlọtọ. Ruo ugbu a, TV na ihe ngosi ndị bụ isi ka na-ejikarị interface A-type eme ihe. Ụfọdụ ngosipụta dị elu 'Slim HDMI,'8K HDMI, 48Gbps HDMI,HDMI OD 3.0mm, HDMI 144Hzna HDMI ndị ọzọ na-arụ ọrụ zuru oke ka na-adabere na ụdị A. Na mgbakwunye, atụmatụ dịkaobere eriri HDMInaeriri HDMI 90 ogona-enyekwa ndị ọrụ nhọrọ njikọ ndị ọzọ.

2. Ụdị HDMI C (Obere HDMI)

Atụmatụ ọdịdị: Njikọ akụkụ anọ dị larịị nke dị ihe dịka pasent 30 pere mpe karịa ụdị A, yana nha nke 10.4mm × 2.4mm yana imewe nke pin 19.

Bandwit ahụ yiri nke ụdị A. Ọ na-akwado ọrụ niile nke ụdị A (vidiyo 3D, 4K@30Hz, ọwa nloghachi ọdịyo ARC, wdg), mana ọ dị mkpa ijikọ ya na TV site na eriri ntụgharị dịkaobere eriri HDMI gaa na HDMI or MINI HDMI USB n'akụkụ aka nriUgbu a, e nwekwaraObere eriri HDMInkwado ahụobere HDMI 2.0na8K HDMIn'ahịa, na-emezu ihe achọrọ maka nnyefe dị elu.

Ọ bụ ezie na ụdị C pere mpe, ụdị A ka na-achịkwa ahịa ahụ n'ihi ọnụ ahịa ya dị ala na nkwekọ sara mbara. Ọ bụghị ruo mgbe ụdị D pụtara ka obere interface maka ngwaọrụ mkpanaka ruru oke ya.

3. Ụdị HDMI D (Micro HDMI)

Ụdị HDMI D bụ Micro HDMI, nke bụ ụdị kacha nta nke interface HDMI ma a na-ejikarị ya eme ihe na ngwaọrụ mkpanaka. Nha anụ ahụ ya bụ naanị 6.4×2.8mm, na-ebelata ihe dị ka 72% ma e jiri ya tụnyere ụdị HDMI A ọkọlọtọ. Agbanyeghị, ọ na-akwado ọrụ niile nke HDMI 1.4 na karịa, gụnyere mkpebi 4K, onyonyo 3D, ọwa Ethernet, na ARC nlọghachi ọdịyo.

Ngwa ahụ na-ejikwa imewe pin iri na itoolu, yana nkọwa pin dakọtara na HDMI ọkọlọtọ. Enwere ike ịgbanwe ya ka ọ bụrụ ngwa ọkọlọtọ site naeriri Micro HDMI gaa na HDMI or Eriri HDMI MICRO 90na ihe nkwụnye ndị ọzọ. N'afọ ndị na-adịbeghị anya,Eriri HDMI MICROna-akwado8K Micro HDMInaobere HDMI 2.0apụtakwala, nke dabara adaba maka mgbasa ozi onyonyo ọkachamara.

Ihe ndị a na-ahụkarị n'iji ngwa gụnyere: igwefoto mmegharị, ngwa nnyefe vidiyo drone, kọmputa mbadamba, na ọdụ ekwentị ndị ọzọ nwere obere oghere.

Ike igwe nke ụdị HDMI D dị obere, ihe dị ka ọkara nke interface ọkọlọtọ.

Site na nnabata nke njikọ USB-C zuru ebe niile, ụfọdụ ngwaọrụ ọhụrụ agbanweela iji USB-C kama. Agbanyeghị, akụrụngwa onyonyo ọkachamara ka na-ejigide njikọ D-ụdị iji mezuo ihe achọrọ n'oge ziri ezi.


Oge ozi: Sep-25-2025

Ngwaahịa dị iche iche